电子元器件整合供应商

解决方案

作为致力成为最具价值的电子元器件整合供应商,南京彩神vll官网拥有能为客户提供全套电子元器件的强大整合能力。公司拥有专门技术团队,建有电子元器件例行试验室,能为客户提供全方位的技术咨询、器件选型、样品提供、器件检测等增值服务。

力芯微ET5014AM-国产汽车信号链IC型号推荐

发布时间:2024-08-03 品牌:力芯微(ETEK) 浏览量:1362

ET5014AM是一个4位双向电平转换器,其中输入和输出端口自动切换,无需方向控制。每个通道的数据路径可以是从I/O_VLn到I/O_VCCn或从I/O_VCCn到I/O_VLn。所有I/O端口均设计用于跟踪两个不同的电源轨,分别为VCC和VL。两个电源电压均可在1.1V至5.0V范围内配置。VCC和VL电源是独立的,这使得VL侧的逻辑信号可以转换为VCC侧的更高或更低的逻辑信号电压,反之亦然。 该ET5014AM具有高输出电流能力,使转换器能够驱动高容性负载,例如大多数高频EMI滤波器。使能引脚(EN)用于降低功耗。EN引脚可用于通过将两个I/O端口置于3态来禁用它们,从而显著降低VCC和VL的电源电流。EN信号以VL电源为基准。 ET5014AM的工作环境温度范围为-40°C至+105°C。

特性

  • 宽VCC、VL工作范围:1.1V至5.0V
  • VL和VCC是独立的
  • VL可能大于、等于或小于VCC
  • 100pF高电容驱动能力
  • 高速,保证VCC、VL>1.8V的100Mbps数据速率
  • 低比特到比特偏斜
  • 过压容限使能和I/O引脚
  • 非优先上电时序
  • 断电保护
  • 符合汽车AEC-Q1002级标准
  • 封装尺寸:QFN12 (1.7 mm x 2.0 mm)

应用

  • 汽车信息娱乐系统和仪表盘
  • 汽车其他设备

引脚说明

ET5014AM引脚说明

芯片框图

ET5014AM芯片框图

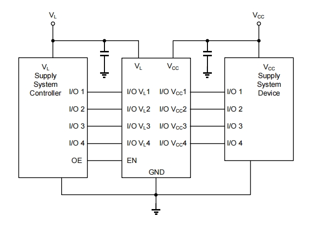
应用电路

ET5014AM应用电路